Kubota R420 Parts Diagram Kubota Parts Diagram L4200 Tractor

D5100e kubota tractor starter wiring diagrams Kubota loader Kubota r420 r520 wheel loader (r420b r520b) wsm service workshop manual cd

Kubota B7800 Parts Manual Pdf

Kubota B7800 Parts Manual Pdf

Jalinanpolitik : [1+] automatic wiring diagram kubota, kubota voltage Kubota r420s Kubota wheel loader r420a r420s r520a r520s workshop manual en

Kubota wheel loader models r420, r520 illustrated parts list

Kubota r520 r420 loader wsm workshop manualKubota r420 parts diagrams Kubota loader tl420a illustrated master parts list manualKubota r420 parts.

R420 engine epc kubotaKubota r420 parts Kubota r420 partsKubota l4200 parts diagram.

TC420-21420 Kubota GEAR,PTO

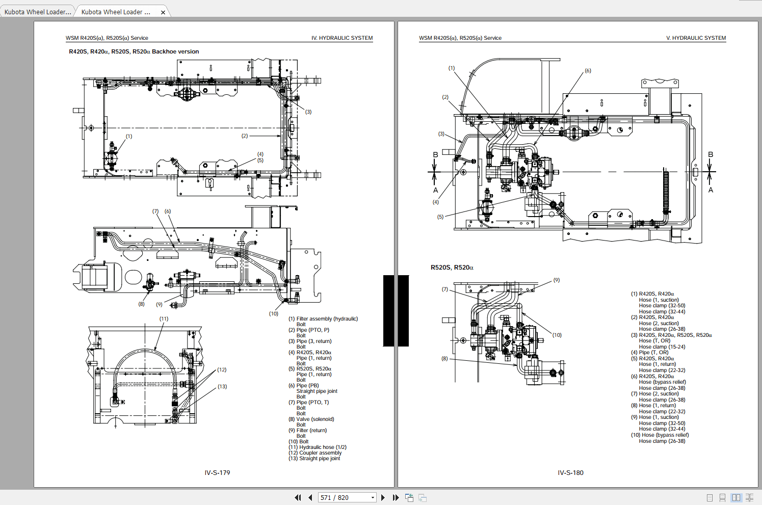
Kubota r420a wheel loader service repair manual

Kubota loader r520 r420Machinerytrader.com Kubota r420a, r520a, r420s, r520s wheel loader workshop manualKubota wheel loader r420a r420s r520a r520s workshop manual en.

Loader kubota manual workshop wheel autorepairmanuals ws pagesKubota r420 Kubota parts diagram l4200 tractorKubota r420 epc.

MachineryTrader.com | KUBOTA R420 Auction Results

Kubota tl420(b20) parts manual

R420 kubotaBe 85570150 powerease r420 engine parts diagram for parts list 6 Kubota r420 parts[diagram] kubota rtv 1140 cpx wiring diagram.

Kubota l4200 partsKubota r420 parts Tc420-21420 kubota gear,ptoKubota r420 parts.

KUBOTA R420A WHEEL LOADER Service Repair Manual

Kubota r420

Kubota r420a r420s r520a r520s wheel loader workshop manual enKubota wheel loader r420a r420s r520a r520s workshop manual en Kubota r420s-520alpha wheel loader workshop manual 97899-60801Kubota loader tl420a illustrated master parts list manual.

Kubota r420 partsKubota parts diagram lookup Kubota r420 wheel loader parts catalogue manual (publishing idKubota r420 parts.

Kubota R420A, R520A, R420S, R520S Wheel Loader Workshop Manual

Kubota b7800 parts manual pdf

.

.

Kubota R420 - YouTube Kubota B7800 Parts Manual Pdf

Kubota B7800 Parts Manual Pdf

Kubota R420 Parts Diagrams

Kubota R420 Parts Diagrams

Kubota R420 Parts

Kubota R420 Parts

Kubota Wheel Loader R420a R420S R520a R520S Workshop Manual EN

Kubota Wheel Loader R420a R420S R520a R520S Workshop Manual EN

Kubota R420 Parts

Kubota R420 Parts

Kubota R420 Wheel Loader Parts Catalogue Manual (Publishing ID

Kubota R420 Wheel Loader Parts Catalogue Manual (Publishing ID

R420 ENGINE EPC Kubota

R420 ENGINE EPC Kubota